Renault Laguna: Plaques d'identification véhicule



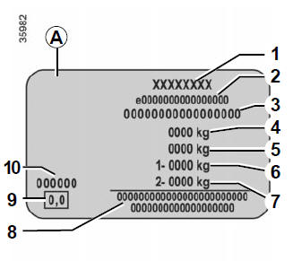
Les indications figurant sur la plaque constructeur sont à rappeler dans toutes vos lettres ou commandes.
La présence et l'emplacement des informations dépendent du véhicule.
Plaque constructeur A
Suivant véhicule, cette information est rappelée sur le marquage B.

Plaques d'identification moteurCaractéristiques de conduite
uniques
Véhicule électrique hybride
Ce véhicule hybride associe l'utilisation du
moteur électrique et à essence pour offrir
des performances et une efficacité
optimales. Il fonctionne avec un carburant
classique et n'a pas besoin d'être branché.
N ...
Ceintures de sécurité avec prétendeurs (sièges avant)
AVERTISSEMENT
Une ceinture de sécurité avec prétendeur
activé ne peut pas être réutilisée.
La ceinture doit être remplacée au complet,
y compris l'enrouleur et la boucle.
Si le véhicule est impliqué dans une
col ...
Bouton de luminosité 
Appuyez sur le bouton pour
modifier la
luminosité de l'écran. Appuyez de nouveau sur ce
bouton pour choisir entre l'affichage de jour ou
l'affichage de nuit.
Si aucune sélection n'a eu lieu dans les 5 secondes,
l'écran revient à l'affichage préc&ea ...